|
188-6099-5107
商務合作:cuitingyu@email.acrel.cn
安科瑞 崔庭宇
摘要: 介紹該綜合性醫院采用安科瑞隔離電源系統Ⅶ件套,使用落地式配電柜安裝方式,從而實現將TN系統轉化為IT系統,以及系統絕緣情況監測。
關鍵詞:醫用隔離電源系統;IT系統;絕緣情況監測;三級綜合醫院。
0:概述
該院始建于1947年,是一所集醫療、教學、科研、預防保健為一體的綜合性醫院,本項目為新院區項目,其中醫用隔離電源用于ICU區域。
根據GB16895.24-2005所規定,醫療二類場所內,醫療隔離電源系統應用于維持生命的、外科手術的和其他位于“患者區域”內醫療電氣設備和供電回路。故本次項目中重癥監護室的重要負載應由隔離電源來進行供電。同時使用絕緣監測裝置對系統的對地絕緣情況進行實時監控。
1:應用介紹
本次項目的應用場所為二類場所區域, ICU的重要負載為護理吊塔,負載要求供配電系統安全、穩定,須使用不接地系統(IT系統)來供電。
該項目中單個醫用吊塔的功率約為2kVA,項目中選擇使用8kVA容量的隔離變壓器同時為4臺醫用吊塔供電。因為隔離變壓器在啟動時會產生較大的沖擊電流,可能會造成隔離變壓器一次側斷路器斷開或閉合困難,所以本項目在選擇隔離變壓器進出線的斷路器時,按照國標選擇了只有短路保護功能沒有過負荷保護功能的斷路器,斷路器脫扣曲線應為D型。
項目中使用了醫療隔離電源產品七件套的搭配,共用了9套隔離電源系統,產品包括8kVA的醫用單相隔離變壓器AITR8000,絕緣監測儀AIM-M200,保護型電流互感器AKH-0.66P26,測試信號發生器ASG100,絕緣故障定位儀AIL100-4,電源模塊HDR-60-24,報警顯示儀AID150等產品。
2:系統方案
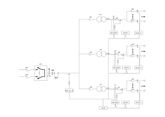
2.1.隔離電源柜系統圖


2.2.系統構成
1) 醫用隔離變壓器
隔離變壓器是指輸入繞組與輸出繞組帶電氣隔離的變壓器,隔離變壓器用以避免偶然同時觸及帶電體,變壓器的隔離是隔離一次側二次側繞組線圈各自的電流保證在接地故障的情況下運行的連續性。隔離變壓器的變比通常是1:1。
2) 絕緣監測儀
絕緣監測裝置的任務是監測相線與大地之間的絕緣電阻,當阻值低于設定值時發出報警提示。絕緣監測裝置裝于隔離變壓器二次側出線與大地之間,在系統中施加測量電流,當系統絕緣電阻下降時,發出報警信號。AIM-M10型絕緣監測儀自帶一路24V直流電源輸出,可為AID150型集中報警顯示儀供電。
3) 電流互感器
互感器主要的功能是將高電壓或大電流按比例變換成標準低電壓(100V)或標準小電流(5A或1A,均指額定值),以便實現測量儀表、保護設備及自動控制設備的標準化、小型化。同時互感器還可用來隔開高電壓系統,以保證人身和設備的安全。
4) 外接報警顯示儀
外接報警顯示儀用來發出由配電柜內由故障所引發的警報,提醒工作人員查看及排除問題。
5) 測試信號發生器
測試信號發生器可實現特定測試信號的產生,當被監測的IT系統出現絕緣故障時,能及時啟動并產生測試信號,配合絕緣故障定位儀實現絕緣故障定位。
6) 絕緣故障定位儀
絕緣故障定位儀用于檢測試信號發生器注入系統中的信號,準確定位絕緣故障所在的回路。
7) 直流穩壓電源
直流穩壓電源可同時為醫用智能絕緣監測儀、測試信號發生器、絕緣故障定位儀和集中報警與顯示儀等儀表提供直流 24V 電源。
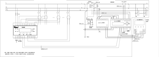
3:現場安裝
4:項目總結
本次項目在隔離電源柜前端加裝了UPS,保證了電力中斷時的關鍵負載的電力供應,同時使用安科瑞隔離電源柜將接地系統轉化為不接地系統,保證了供電的連續性,為該ICU提供了一個安全可靠的醫療設備供配電系統。
參考文獻
[1].安科瑞IT系統絕緣監測故障定位裝置及監控系統(中英文) 2020.1
[2].建筑物電氣裝置第 7-710 部分:特殊裝置或場所的要求—醫療場所 GB 16895.24-2005
[3].民用建筑電氣設計規范 JGJ 16-2016
[4].醫院潔凈手術部建筑技術規范 GB 50333-2013
[5].綜合醫院建筑設計規范 GB 51039-2014
作者簡介:崔庭宇,男,本科,江蘇安科瑞電器制造有限公司,主要研究方向為工業能源管理系統。Email:cuitingyu@email.acrel.cn;QQ:2881068608;手機:18860995105;電話:0510-86179851;傳真:0510-86179975 網址:http://www.acrel-energy.cn